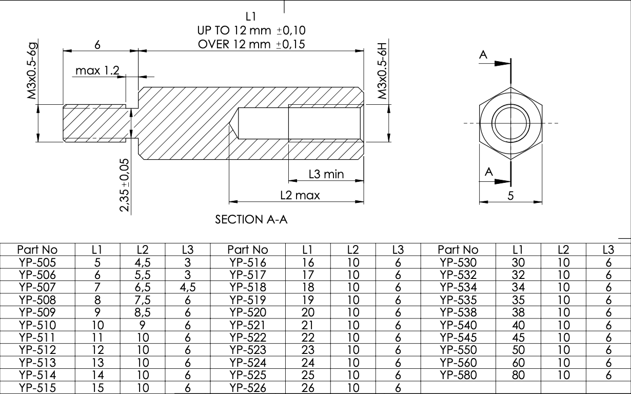
YP-500 M3 Erkek / Dişi Pirinç Yükseltme Parçası

Fiyat:

0,1969


İletişime Geç
YP-4100 M4 Erkek / Dişi Pirinç Yükseltme Parçası
YP-4100 M4 Erkek / Dişi Pirinç Yükseltme Parçası
0,5459
0,5459

YP-500 M3 Erkek / Dişi Pirinç Yükseltme Parçası

[YP-505-0-0-M-0] 5 x 5 x 4 - 60 mm (0.2 x 0.2 x 0.16 in)
https://www.altinkaya.com/web/image/product.template/2011/image_1920?unique=0867e3a

0,1969 0.19690000000000002 USD 0,1969 KDV Hariç

₺ 1,00 KDV Hariç

Kombinasyon mevcut değil.


  • Özel Üretim
  • Uzunluk

Bu kombinasyon mevcut değil.


Barkod :
8698651211092



Teknik Özellikler

Uzunluk 4 - 76 mm
Malzeme Pirinç
A (mm) 5
B (mm) 5
C (mm) 4 - 60
Kaplama Tipi Nikel