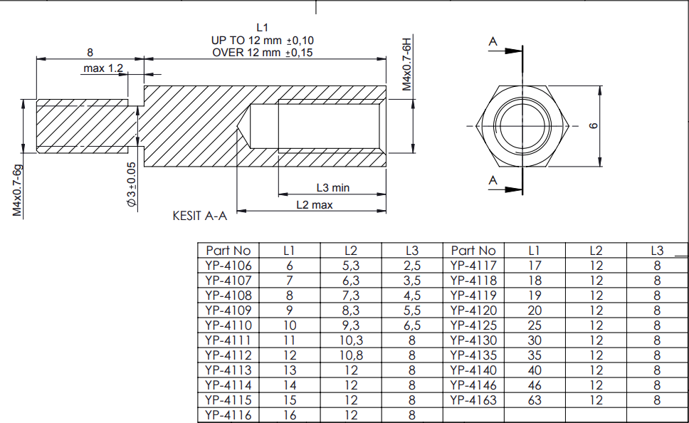
YP-4100 Латунный шестигранный зажим - мужской M4 × женский M4

Цена:

0,5458


Общайтесь с нами
YP-400 Латунная шестигранная стойка - Матрица M3 × Матрица M3
YP-400 Латунная шестигранная стойка - Матрица M3 × Матрица M3
0,2128
0,2128
YP-500 Латунная шестигранная стойка - мужская M3 × женская M3
YP-500 Латунная шестигранная стойка - мужская M3 × женская M3
0,1969
0,1969

YP-4100 Латунный шестигранный зажим - мужской M4 × женский M4

[YP-4163-0-0-M-0] 6 x 6 x 6 - 63 mm (0.24 x 0.24 x 0.24 in)
https://www.altinkaya.com/web/image/product.template/2004/image_1920?unique=05bbf95

0,5458 0.5458000000000001 USD 0,5458 Без НДС

₺ 1,00 Без НДС

Not Available For Sale


  • Производство на заказ
  • Длина

Такая комбинация не существует


Штрих-код :
8698651122596



Технические характеристики

Длина 5 - 63 mm
Материал Латунь
A (мм) 6
B (мм) 6
C (мм) 6 - 63
Защита поверхности Никель