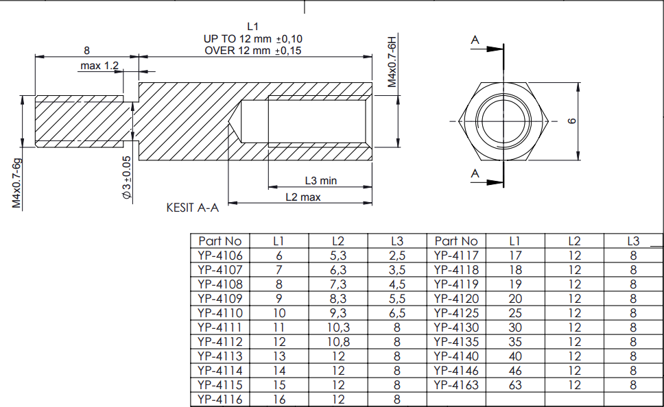
YP-4100 Месингов шестостен - мъжки M4 × женски M4

Цена:

0,5458


Чат с нас
YP-400 Месингов шестостен - женски M3 × женски M3
YP-400 Месингов шестостен - женски M3 × женски M3
0,2128
0,2128
YP-500 Месингов шестостен - мъжки M3 × женски M3
YP-500 Месингов шестостен - мъжки M3 × женски M3
0,1969
0,1969

YP-4100 Месингов шестостен - мъжки M4 × женски M4

[YP-4163-0-0-M-0] 6 x 6 x 6 - 63 mm (0.24 x 0.24 x 0.24 in)
https://www.altinkaya.com/web/image/product.template/2004/image_1920?unique=7bb8596

0,5458 0.5458000000000001 USD 0,5458 Без ДДС

₺ 1,00 Без ДДС

Not Available For Sale


  • Производство по поръчка
  • Дължина

This combination does not exist.


Баркод :
8698651122596



Спецификации

Дължина 5 - 63 mm
Материал Месинг
A (mm) 6
B (mm) 6
C (mm) 6 - 63
Повърхностна защита Никел