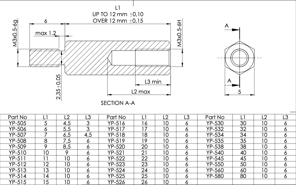
Separador hexagonal de latón YP-500 - Macho M3 × Hembra M3

Precio:

0,2166


Chatee con nosotros
Separador hexagonal de latón YP-4100 - Macho M4 × Hembra M4
Separador hexagonal de latón YP-4100 - Macho M4 × Hembra M4
0,6003
0,6003

Separador hexagonal de latón YP-500 - Macho M3 × Hembra M3

[YP-505-0-0-M-0] 5 x 5 x 4 - 60 mm (0.2 x 0.2 x 0.16 in)
https://www.altinkaya.com/web/image/product.template/2011/image_1920?unique=ce3fd2e

0,2166 0.21660000000000001 USD 0,2166 Sin IVA

₺ 1,00 Sin IVA

No está disponible para venta


  • Producción a medida
  • Longitud

Esta combinación no existe.


Código de barras :
8698651211092



Especificaciones

Longitud 4 - 76 mm
Material Latón
A (mm) 5
B (mm) 5
C (mm) 4 - 60
Protección de superficies Níquel