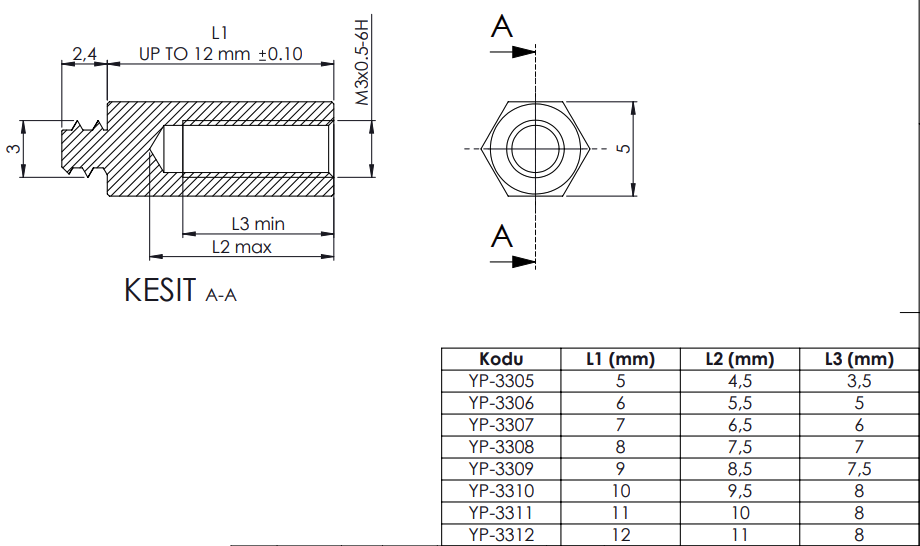
YP-3300 Латунная шестигранная стойка - M3 (PT для пластика) - длина резьбы 2,4 мм

Цена:

0,2123


Общайтесь с нами
YP-3400 Латунная шестигранная стойка - M3 (PT для пластика) - длина резьбы 4 мм
YP-3400 Латунная шестигранная стойка - M3 (PT для пластика) - длина резьбы 4 мм
0,2071
0,2071
YP-3200 Латунная шестигранная стойка - мужская M2.5 (PT для пластика) × женская M3 - длина резьбы 4 мм
YP-3200 Латунная шестигранная стойка - мужская M2.5 (PT для пластика) × женская M3 - длина резьбы 4 мм
0,1968
0,1968

YP-3300 Латунная шестигранная стойка - M3 (PT для пластика) - длина резьбы 2,4 мм

[YP-3308-0-0-P-0] 5 x 5 x 5 - 13 mm (0.2 x 0.2 x 0.2 in)
https://www.altinkaya.com/web/image/product.template/1997/image_1920?unique=56a6dbb

0,2123 0.21230000000000002 USD 0,2123 Без НДС

₺ 1,00 Без НДС

Not Available For Sale


  • Длина

Такая комбинация не существует


Штрих-код :
8698651258035



Технические характеристики

Длина 5 - 13 mm
Материал Латунь
A (мм) 5
B (мм) 5
C (мм) 5 - 13
Защита поверхности Никель