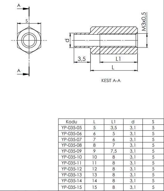
YP-035 Припаиваемый латунный шестигранный разъем - мужской M3 × женский M3

Цена:

0,2977


Общайтесь с нами
YP-3500 Латунная шестигранная стойка - мужчина M2.5 × женщина M3
YP-3500 Латунная шестигранная стойка - мужчина M2.5 × женщина M3
0,2336
0,2336
YP-040 Припаиваемая латунная клемма заземления - мужская M3 × женская M3
YP-040 Припаиваемая латунная клемма заземления - мужская M3 × женская M3
0,2695
0,2695

YP-035 Припаиваемый латунный шестигранный разъем - мужской M3 × женский M3

[YP-035-15-0-P-0] 5 x 5 x 5 - 20 mm (0.2 x 0.2 x 0.2 in)
https://www.altinkaya.com/web/image/product.template/1987/image_1920?unique=ca41469

0,2977 0.2977 USD 0,2977 Без НДС

₺ 1,00 Без НДС

Not Available For Sale


  • Длина

Такая комбинация не существует


Штрих-код :
8698651358544



Технические характеристики

Длина 5 - 20 mm
Материал Латунь
A (мм) 5
B (мм) 5
C (мм) 5 - 20
Защита поверхности Никель

Документы