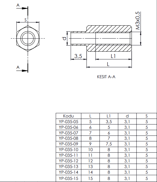
YP-035 Suporte Hexagonal de Latão Soldável - Macho M3 × Fêmea M3

Preço:

0,2977


Converse connosco
YP-3500 Suporte hexagonal de latão - Macho M2,5 × Fêmea M3
YP-3500 Suporte hexagonal de latão - Macho M2,5 × Fêmea M3
0,2336
0,2336
Terminal de ligação à terra em latão soldável YP-040 - Macho M3 × Fêmea M3
Terminal de ligação à terra em latão soldável YP-040 - Macho M3 × Fêmea M3
0,2695
0,2695

YP-035 Suporte Hexagonal de Latão Soldável - Macho M3 × Fêmea M3

[YP-035-15-0-P-0] 5 x 5 x 5 - 20 mm (0.2 x 0.2 x 0.2 in)
https://www.altinkaya.com/web/image/product.template/1987/image_1920?unique=2fd6a14

0,2977 0.2977 USD 0,2977 Sem IVA

₺ 1,00 Sem IVA

Not Available For Sale


  • Duração

Esta combinação não existe.


Código de Barras :
8698651358544



Especificações

Duração 5 - 20 mm
Material Latão
A (mm) 5
B (mm) 5
C (mm) 5 - 20
Proteção de superfícies Níquel