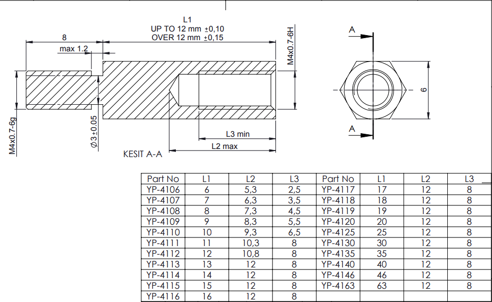
YP-4100 真鍮六角スタンドオフ - オスM4×メスM4

価格

0.5458


チャット
YP-400 真鍮六角スタンドオフ - メスM3×メスM3
YP-400 真鍮六角スタンドオフ - メスM3×メスM3
0.2128
0.2128
YP-500 真鍮六角スタンドオフ - オスM3×メスM3
YP-500 真鍮六角スタンドオフ - オスM3×メスM3
0.1969
0.1969

YP-4100 真鍮六角スタンドオフ - オスM4×メスM4

[YP-4163-0-0-M-0] 6 x 6 x 6 - 63 mm (0.24 x 0.24 x 0.24 in)
https://www.altinkaya.com/web/image/product.template/2004/image_1920?unique=2b63507

0.5458 0.5458000000000001 USD 0.5458 付加価値税なし

₺ 1.00 付加価値税なし

未発売


  • カスタム生産
  • 長さ

この組み合わせは存在しません。


バーコード :
8698651122596



仕様

長さ 5 - 63 mm
材料 ブラス
A (mm) 6
B(mm) 6
C(mm) 6 - 63
表面保護 ニッケル